Après avoir passé des mois à faire de la sécurité informatique à haute dose on peut avoir envie de se changer un petit peu les idées (mais vraiment juste un peu). Ce genre de moment est l'occasion révée pour ressortir des vieux projets des placards ! Pour ma part j'ai ressorti 3~4 vieux projets et en moins de 2h ils ont tous, sauf un, dérivé vers la sécurité informatique (on ne se refait pas ^^ !). Histoire de jeter malgré tout une petite pierre hors de la thématique usuelle de ce blog je vais donc vous parler du dernier de ces projets (ça reste du Hack, ne vous inquiétez pas ;) )

Il y a fort fort longtemps dans une contrée pas si éloignée que ça j'ai participé deux années de suite à la coupe de France de robotique. Nos deux participations furent des fiascos mais tant pis, on s'était quand même bien amusé ! Mes responsabilités dans l'équipe se cantonnaient au domaine informatique1 et il faut bien avouer que c'était pour le mieux car j'étais une quiche en électronique (surtout en comparaison avec les brutes qu'on avait de ce coté là !). Le temps a passé et j'ai toujours considéré que connaitre un peu d'électronique m'ouvrirait pleins de nouveaux horizons d'amusements... Il y a quelques mois de celà j'ai donc craqué et j'ai investi lourdement (au moins...pfiou....facilement...oula....25£ au bas mot :D !) dans un arduino !!! J'ai également ratissé ebay, dealextreme, et oomlout pour obtenir une plaque de prototypage, des cables, des résistances de toutes les valeurs possibles, quelques diodes, et un capteur de distance infra-rouge 2.
Une fois tout ce petit matériel reçu j'ai enfin pu m'amuser à faire clignoter mes LED, à changer les patterns de clignotements en fonction de la distance retournée par le capteur, etc. Puis mon jouet est tombé dans l'oubli, submergé par un ras de marré de sécu informatique. La semaine dernière l'envie de ressorti mon arduino s'est fait sentir et en particulier celle de lui faire commander des moteurs ! Pour le signal de commande aucun problème, l'arduino possède une commande toute faite pour envoyer une PWM sur un port de son choix. Reste donc à acheter des moteurs adéquats, et à trouver une façon de leur envoyer de la puissance.
Pour faire simple j'ai d'abord acheté deux micro moteurs 6V consommant 40mA. C'est extrèmement faible, mais c'est pour une bonne raison : l'arduino est capable de fournir cette puissance là tout seul, sans électronique de puissance supplémentaire :) En choisissant ces moteurs je m'assure donc de pouvoir jouer un petit peu mais probablement pas de faire un robot capable de se déplacer. En effet l'arduino seul fournira à mes moteurs la modeste puissance de 0,2W3, à titre de comparaison à la coupe de France nos moteurs tournaient autour des 30~40W :-D
Seulement voilà : la livraison de mes moteurs devrait prendre au moins 10 jours :-( ...Du coup je me suis dit qu'en les attendant j'allais réfléchir à une carte de puissance capable d'alimenter de plus gros moteurs (et donc, pourquoi pas, de rendre mon arduino mobile). C'est à ce moment du billet qu'on retombe dans l'informatique (et qu'on compte sur les doigts d'une main le nombre de mes lecteurs qui sont arrivés jusqu'ici lol) : pour confirmer les cartes de puissance que je pourrait imaginer j'ai décidé de les simuler sur ordinateur plutôt que d'envoyer un mail toutes les 10mn pour demander leur avis à mes amis qui sont forts en électroniques. Mais pour simuler un circuit électronique il faut un logiciel de simulation électronique, or il s'avère que ce n'est pas si simple à trouver. C'est donc là que ce billet prend tout son intéret : vous faire part de mon retour d'expérience en la matière et vous éviter de galérer autant que moi si l'envie vous prend de faire mumuse avec un fer à souder virtuel.
Le cahier des charges est simple : il me faut un logiciel gratuit, fonctionnant sous linux, et qui soit capable de simuler tout les petits circuits simples auxquels je pourrai penser. Après quelques recherches sur google j'ai trouvé pas mal de pages faisant des comparatifs des différents logiciels disponibles malheureusement beaucoup des infos présentes sur ces pages étaient vieilles et ne correspondaient plus du tout à la réalité. Du coup j'ai passé plusieurs jours à débrousailler le terrain pour ne finalement conserver que deux logiciels valables : Oregano d'une part, et gEDA d'autre part.
Oregano
J'ai commencé par Oregano parcequ'il a une interface super user-friendly et semble monolythique (donc simple). A l'usage il est effectivement très agréable mais je lui ai très vite trouvé deux inconvénients :
- Impossible de trouver comment faire des mesures de courant. Poser des sondes de tension est enfantin, mais les sondes de courant doivent se cacher quelque part au fin fond d'un menu d'option et je ne les ai pas trouvé...
- régler finement les paramètres de ses composants (en particulier des semi-conducteurs) parait impossible. En pratique c'est possible mais ça n'a rien d'intuitif. En effet, alors que toute l'interface est ultra simpliste, il faut aller éditer l'onglet "model" des propriétés du composant pour y renseigner le model SPICE brute (ce qui est franchement cabalistique et semble contre-nature par rapport au reste de l'interface "clic clic").
Finalement je pourrai l'utiliser...d'autant qu'il permet d'exporter les schéma au format netlist (j'expliquerai ce que c'est un peu plus tard) et que je pourrai donc facilement faire mes mesures de courant. Mais bon...comme je suis passé à gEDA quand je n'arrivais pas à spécifier les caractéristiques d'un pauvre transistor bipolaire, je reste pour l'instant sur gEDA !
gEDA
Alors là c'est du lourd ! gEDA est en fait un conglomérat de plusieurs logiciels spécialisés chacun dans une étape du travail de l'électronique, ce qui lui permet d'être très puissant4 mais aussi de faire très peur aux débutants :-D En réalité, après m'être penché un petit peu sur le monstre, les fonctions que je souhaite réaliser se résument dans seulement deux tout petit logiciels qui se maitrisent finalement assez vite.
Tout d'abord il y a gschem qui permet de "dessiner" son schéma électronique. Le maniement est beaucoup moins intuitif que celui d'oregano mais au moins il est homogène : que celà soit pour paramétrer un transistor ou une résistance la démarche est la même (à savoir : vous n'avez qu'à ajouter manuellement à votre objet un paramètre de nom "value" qui contient le code SPICE du composant). Cet outil ne sert qu'à dessiner le schéma par contre, vous ne pourrez pas faire de routage avec, et vous n'avez pas à placer de sondes de tensions/courants/autre sur le schéma comme vous devez le faire avec oregano. Une fois le schéma dessiné vous le sauvegarder au format gschem (format par défaut) et vous passez au logiciel suivant...
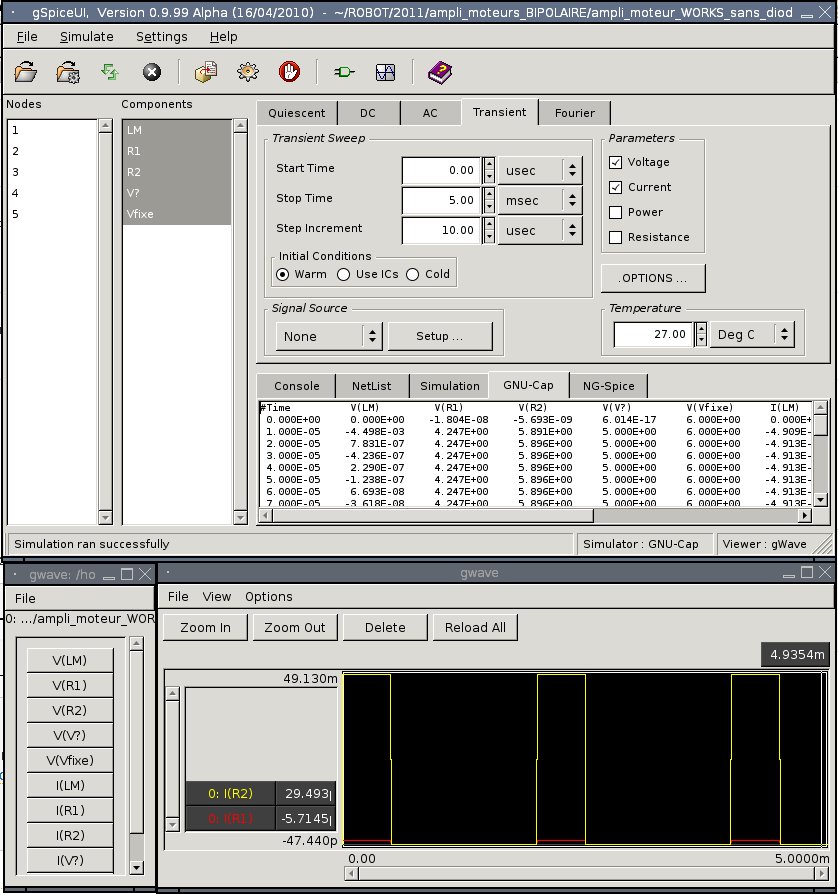
...gspiceui ! Le petit logiciel gspiceui (qui ne fait pas parti de la suite gEDA d'ailleurs lol) va vous permettre de simuler votre circuit. D'ailleurs si vous êtes sous gentoo pensez à le compiler avec les flags "waveform" et "schematics"5, si vous êtes sous ubuntu n'utilisez pas la version packagée mais allez plutôt télécharger la dernière6.
Bref, pour réaliser une simulation avec gspiceui vous devrez importer le schéma réalisé avec gschem (menu File>Import), vous sélectionnez les composants du schéma que vous voulez observer, vous sélectionnez le type de simulation à faire (la simulation temporelle correspond à l'onglet "Transient"), vous choisissez les paramètres temporels de la simulation, les grandeurs que vous voulez observer (courant, tensions, etc.) puis il ne reste plus qu'à créer un fichier de simulation (menu Simulate>Create"), à lancer la simulation (menu Simulate>Run), et à lancer l'appli de visualisation de vos courbes (menu Simulate>Data viewer).
Une fois le "Data Viewer" lancé vous pouvez glisser/déposer les grandeurs que vous voulez observer depuis la fenêtre flotante contenant la liste de toutes les grandeurs disponibles jusqu'à la zone de traçage de courbe et voilà !
Il ne me reste plus qu'à conclure en vous disant qu'aussi bien oregano que gspiceui s'appuient en fait discrètement sur des moteurs de simulation électronique indépendants (le plus connu étant "SPICE", mais gnucap fonctionnant tout aussi bien si ce n'est mieux (c'est d'ailleurs ce dernier que j'utilise)) ; Que ces moteurs de simulation mangent des fichiers au format "netlist" qui sont générées par oregano ou gspiceui7 ; Que les deux derniers screenshots (gschem et gspiceui) correspondent justement à un schéma d'alimentation de puissance pour moteur que j'ai moi-même pensé ; Que cet amplificateur de puissance fonctionne ; Qu'il est super simple et tout pourri aussi bien en rendement qu'en fonctionnalités (il ne permet de faire tourner le moteur que dans un seul sens par exemple) ; Mais qu'il fonctionne (oui, j'en suis fier :-p !) ; Et enfin que je vous déconseille de l'utiliser en l'état car sur les screenshots il manque la diode de roue libre.
Allez, on se quite sur la description SPICE d'une diode (pour vous prouver que c'est vraiment cabalistique et que ça ne colle pas du tout avec l'interface bisounours d'oregano) :
MODEL 1N1004 D (IS=0.5UA RS=6 BV=5.20)
hvar le 2011/06/24 10:27
Article interessant. Je partage le même constat :
Je me suis retrouvé avec un arduino qui a vite fini au plaquard.
Mes cours d'élécs sont loins et j'ai pas réussi à trouver de bookin satisfaisant.
La démarche empirique avec un simulateur j'y ai pensé mais j'ai pas réussi à trouver de logiciel simple (et gratuit). gEDA ça me fait un peu peur mais dès que j'aurais le temps je vais essayer de m'y mettre un peu mieux.
C'est quand même étrange cette absence de logiciels ?!
dromi le 2011/06/26 17:54
Côté logiciel d'EDA libre je te propose de jeter un œil à Kicad qui a ses propres avantages et ses propres défauts. En plus il est d'origine française (cocorico !). Sinon si tu fais juste de la simulation, regarde QUCS qui a de très grandes ambitions (notamment celle de se passer de SPICE) mais dont le rythme de développement n'est pas aussi rapide qu'on pourrait espérer. Il devrait néanmoins être pleinement utilisable dans ton cas. Pour ma part je n'ai pas tenu longtemps sous Geda, qui pour mes propres besoins, est vraiment pas assez abouti. C'est un peu comme si un graphiste voulait travailler avec Paint... Mais je n'ai malheureusement pas trouvé de solution libre satisfaisante, ni gratuite en fait, ni sous linux d'ailleurs, et pas à moins de 1000€ :) (et je n'ai pas vraiment le temps de contribuer à l'amélioration des logiciels sus-cités)
Et n'hésite pas à demander de l'aide à tes amis électroniciens ;)
Ozwald le 2011/06/27 22:12
@Gorgonite > Alors là il va falloir que tu me traduise ton message tranquilement autour d'une bière parce que à part "VHDL" je n'ai rien saisi :-D
@hvar > Oui c'est étrange, mais en fait pour pas mal de domaines un petit peu pointu il est difficile de trouver des logiciels libres de qualité (domaine pointu => peu de personnes intéressés => peu de contributeurs => peu de logiciels de qualité).
@dromi > QUCS n'est pas packagé gentoo :-( Pour kicad il n'a pas l'air de faire de simulation...remarque s'il est capable d'exporter pour gspiceui c'est tout ce qu'on lui demande, donc j'y jetterai un oeil. Merci du tuyau :) ! (et je note l'invitation, je n'hésiterai donc pas à te harceler pour avoir ton avis sur mes montages foireux lol)
Gorgonite le 2011/06/29 00:08
Ozwald> aucun problème... faut juste que tu trouves un créneau (moi ça va en ce moment côté créneau <_< )
si tu as déjà une belle spécification de ce que tu souhaites, un moyen (simple) d'arriver à tes fins, serait de passer par un outil comme l'Atelier B, et laisser la génération de code faire son boulot dès que le raffinement est arrivé au stade implantable
(mais le codesign avec des HDL et des méthodes formelles pour faire top->down et bottom->up c'est quand même plus sexy :p)
Gorgonite le 2012/03/07 21:47
Au passage, as-tu essayé scilab/xcos et sa palette électronique ? sûrement plus simple qu'un outil orienté synthèse dans un premier temps :)
- et un petit peu de mécanique quand ça se résumait à manier l'arme ultime du travail propre : le pistolet à colle ↩
- le même type que ceux qu'on avait utilisé sur notre robot :) ↩
- Souvenez-vous : P = UI. Dans mon cas I=40mA et U=5V (et non pas 6V, car l'arduino sort en 5V tout simplement) ↩
- Vous pouvez tout faire avec gEDA, du design de schémas aux plans de routage en passant par les simulations électriques de tout poil ↩
- sinon vous ne pourrez pas tracer de courbes, ou vous ne pourrez pas importer les schémas dessinés par gschem ↩
- la version packagée sous ubuntu souffre d'un bug tout con qui rend le lancement de simulation impossible si vos paramètres de langue utilisent une virgule au lieu d'un point pour les nombres décimaux...ce qui est le cas en Français ↩
- C'est justement lors de la génération des fichiers netlist que le problème de séparation des décimales rend la version de gspiceui packagée Ubuntu (9.98) inutilisable en environnement français ↩




Gorgonite le 2011/06/24 00:07
Pourquoi ne pas passer par des techniques de co-modélisation ? histoire de simuler et valider rapidement, puis de raffiner ton matériel avec un langage comme VHDL et le module AMS pour la partie analogique ?
Enfin, je dis ça a priori... pas eu envie d'investir dans Arduino, la mode du moment :)