J'avais déjà rapidement parlé de gEDA dans un précédent billet1, mais pour ceux qui ne l'ont pas lu voici un rappel : gEDA est une suite de logiciels Open Source permettant de concevoir et simuler des circuits électroniques. Dans ce billet je vais tenter de résumer comment on peut utiliser gEDA pour amener la conception d'un circuit électronique à partir de rien jusqu'à l'obtention d'un véritable circuit imprimé physique. Le but de cet article est, d'une part, de me servir de pense-bête pour plus tard et, d'autre part, d'apporter quelques astuces à ceux qui, comme moi, vont découvrir de nombreuses embuches en tentant de concevoir leur premier circuit avec gEDA. Contrairement au billet précédent il n'y aura donc pas d'informatique du tout dans ce billet-ci et il risque d'être assez indigeste pour ceux qui n'ont pas envie de concevoir de circuits imprimés...Promis je me rattraperai plus tard avec d'autres billets ;) !

gschem pour créer le schéma fonctionnel
Comme rappelé en introduction, gEDA est une suite de logiciels cohérents les uns avec les autres, chacun ayant son utilité propre. L'outil de la suite gEDA par lequel nous allons commencer est gschem qui permet de dessiner le schéma logique du circuit que l'on est en train de concevoir2. Il n'est pas follement intuitif d'utilisation mais après 30mn à s'habituer au maniement de l'outil on parvient à faire à peu près ce que l'on veut.
Pour dessiner votre schéma il suffit de sélectionner les composants que vous voulez dans la bibliothèque ( menu add > components ), de les placer sur l'espace de dessin, d'éditer leurs propriétés, puis de les relier entre eux avec des "nets node". Rien de bien sorcier en somme, mais voici quelques points qu'il faut penser à vérifier si vous ne voulez pas être ennuyé plus tard :
- Penser à donner un nom unique à chaque composant (via sa propriété
refdes) - Pour les composants "redondants" (c'est à dire les composants qui répètent plusieurs fois la même fonction logique, par exemple les 7404 qui contiennent 6 fonctions logiques "NON") vous ne ferez apparaitre qu'une fonction logique sur le schéma (forcément, c'est un schéma logico-fonctionnel) et pas une empreinte réaliste du composant. Pour retrouver vos petits lorsque vous concevrez le plan physique de votre circuit il faut penser à cette étape à mettre le même nom (propriété
refdes) à toutes les fonctions logiques que vous voulez prendre sur le même composant, et à les différencier uniquement en fixant une valeur incrémentale3 (unique) à leur propriétéslot. - Penser à donner une valeur à l'attribut
footprintde chaque composant. Cette valeur servira plus-tard à définir l'empreinte physique du composant sur le circuit imprimé. Quelques footprints utilisables peuvent être trouvés dans/usr/share/pcb/pcblib-newlib/gedasur Gentoo, mais personnellement j'ai fini par agréger ma propre librairie de composants afin d'obtenir des descriptions cohérentes utilisables sur l'ensemble des logiciels de la suite gEDA, les composants fournis d'office n'étant généralement plus utilisables dès qu'on veux passer d'un logiciel de la suite à un autre4. - Faite apparaitre vos connecteurs sur le schéma logique :) ! On n'y pense pas forcément lorsqu'on a le nez dans le schéma fonctionnel mais il est essentiel de se rappeler que votre "signal IN" devra bien venir de quelque part sur votre circuit imprimé physique. Vous devez donc absolument ajouter à votre schéma gschem les composants de connectique.
pcb pour créer le plan physique
Une fois le schéma fonctionnel satisfaisant (.sch) vous pouvez lancer pcb, également inclus dans la suite gEDA. Si vous avez bien fait votre fichier ".sch" un petit clic dans le menu File > Import Schematics fera apparaitre l'ensemble des composants physique de votre schéma logique (dans un gros paté au centre de la fenêtre de pcb). Si ça ne marche pas pensez à bien vérifier les points exposés dans la partie gschem ci-dessus, et si ça ne marche toujours pas changez les noms de vos composants pour des noms plus courts et homogènes en casse. Ca a l'air tout con mais j'ai constaté que certains composants qui n'apparaissaient pas dans mon import sur PCB, ont subitement décidés d'apparaitre quand j'ai changé leur nom de quelque chose du type LED_batterie vers quelque chose du type LEDB...allez comprendre !
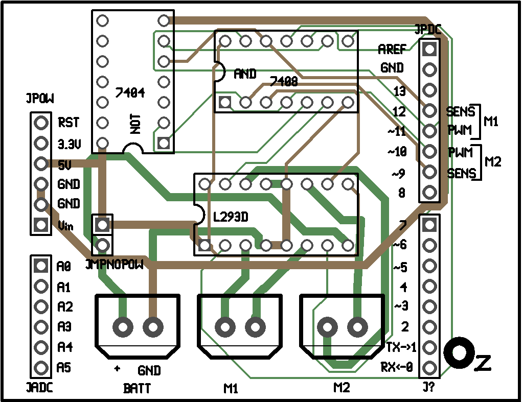
Une fois l'ensemble de vos composants et connexions correctement chargées dans PCB vous allez pouvoir les disposer sur l'espace qu'occupera votre futur circuit ainsi que faire le routage5 à proprement parler. Le routage est une étape qui peut prendre BEAUCOUP de temps, mais elle est malheureusement nécessaire pour obtenir une réalisation physique qui fonctionne. Ci-dessous je vous mets quelques astuces en vrac pour le routage :
- Penser à dé-selectionner, dans la colonne de gauche de l'interface de
pcb, les "layers" que vous ne voulez pas utiliser avant de faire appel à la fonction "Auto-route" de pcb. En effet, si vous prévoyez de réaliser votre circuit imprimé sur une seule face (par exemple si vous voulez le graver vous-même par la suite) il ne faut pas quepcbutilise deux couches pour router (or en mode "Auto-route" il utilise autant de couche que possible). Pour ma part je ne garde que 2 "layers" actifs (en plus des layer "silk" et "rat lines" qui ne correspondent qu'à des indices visuels et ne sont donc pas utilisés par la fonction "Auto root") parce que j'utilise plutôt du double couche que du simple. En effet le double couche reste encore raisonnable (on peut graver soit-même des circuits en double couche) et il permet de router des cartes avec beaucoup de connexions sans avoir à ajouter des tas de ponts disgracieux jouant à saute mouton au dessus des pistes comme celà arrive rapidement quand on se restreint au simple couche. - Penser à faire un gros plan de masse, voire un gros plan au potentiel VCC (pour ce faire vous pouvez, par exemple, utiliser les outils polygone ou rectangle puis les relier à des net via un pin grace à l'outil "therm(al)").
- Jouez avec la largeur et les marges de vos pistes. Plus ces paramètres sont petits plus le routage est facile, mais plus la réalisation physique sera compliquée et moins vous pourrez faire passer de courant.
Création physique !
Une fois votre PCB correctement créé sur le logiciel éponyme il est temps de passer à l'étape physique ! Pour ce faire il y a deux chemins possibles : soit vous fabriquez votre circuit vous-même, soit vous le faite fabriquer par une entreprise spécialisée.
Si vous décidez de fabriquer votre PCB pensez à faire un routage avec des pistes larges et bien espacées. En effet, la réalisation manuelle de PCB est une opération délicate donc moins il y aura de petits détails sur votre plan de PCB moins vous risquerez de faire d'erreur et ce n'est pas du luxe ! Plusieurs méthodes existent pour la réalisation manuelle mais sachez qu'elles impliquent toutes l'utilisation de produits chimiques et peuvent vous prendre plusieurs heures. Ne paniquez pas pour autant, de nombreux amateurs réalisent régulièrement des cartes6 donc je vous assure que c'est réalisable. N'ayant moi-même pas choisi cette voie je ne vais cependant pas rentrer dans les détails, mais cherchez sur le net et vous trouverez pleins de gens prêts à vous expliquer comment ils font chacune des deux étapes principales du processus :
-
Mise en place d'une couche protectrice sur une plaque cuivrée vierge reprennant la forme de votre circuit à imprimer : Soit vous utilisez des PCB recouvertes d'une résine photosensible et vous détruisez sélectivement cette résine en exposant la plaque à la lumière derrière un transparent sur lequel vous avez imprimé votre circuit; soit vous imprimez une image mirroire de votre circuit avec une imprimante laser sur du papier de mauvaise qualité (en espérant ne pas tuer votre imprimante) puis vous tentez de faire un "décalcomanie" de votre impression sur une plaque de cuivre nue avec un bête fer à repasser.
-
Trempage de la plaque, avec son masque protecteur, dans une solution qui va dissoudre le cuivre non-protégé et donc "graver" les contours de votre circuit : soit vous utilisez le produit chimique "standard" que vous devrez acheter pour une dizaine d'euros en magasin spécialisé (ce produit chimique est réutilisable), soit vous tentez de concocter vous-même un autre produit chimique à base d'eau oxygénée à vos risques et périls.
- Suppression du masque protecteur une fois la gravure terminée pour découvrir vos pistes de cuivres : selon les méthodes suivies aux étapes précédentes ça peut être aussi simple que de laisser la plaque au soleil, ou un poil plus compliqué type "tamponnage de disolvant à l'aide d'un coton tige".
Si, en revanche, vous décidez de faire fabriquer votre PCB par une entreprise spécialisée soyez averti : ça coute cher ! La conception de circuits imprimés amateur n'est pas encore follement répandue et les tarifs restent avant tout orientés vers des tirages en série, le mode de facturation/production n'est donc généralement pas adapté aux besoins d'amateurs souhaitant n'avoir qu'un ou deux prototypes. Vous trouverez ainsi souvent un montant forfaitaire d'une trentaine d'euros pour "préparation des outils", puis comptez une autre trentaine d'euros pour une impression sur des PCB carré double face de moins de 10cm de cotés, et ajoutez enfin à celà une dizaine d'euros de frais de livraison. Pour ma part j'ai eu énormément de chance et j'ai pu faire appel à un petit fournisseur asiatique qui m'a réalisé 10 exemplaires de mon circuit (5,50cm par 5cm en double face) pour seulement 25€, donc je n'ai pas hésité :) ! Bref, ce qu'il faut retenir si vous voulez faire fabriquer vos circuits :
- La tarification est souvent élevée et parfois obscure, mais il existe tout de même quelques fournisseurs qui mérittent le coup d'oeil.
- Les entreprises acceptent généralement le format "gerber" pour vos fichiers, c'est un format vers lequel pcb sait exporter donc tout va bien7; mais parfois ils n'acceptent que le format du logiciel Eagle qui est un logiciel non-libre...à moins de tout recommencer sous ce logiciel vous ne pourrez donc pas faire appel à ces entreprises.
Une fois votre PCB nu en main8 vous n'avez plus qu'à vérifier qu'il n'y a pas de court-circuit apparent sur les contacts accessibles, puis à souder les composants en place (cf la photo du paragraphe précédent) et à faire vos tests unitaires en croisant les doigts !
Conclusion sur le combo gschem/pcb
Le message essentiel à retenir sur la conception c'est qu'il est vraiment important d'avoir des librairies de composants cohérents à utiliser sous gschem et pcb. Il n'y a rien de plus rageant que de faire son circuit logique sous gschem pour se rendre compte ensuite que le "footprint" que l'on a mis à toutes ses résistances est inconnu de pcb (et donc inutilisable) ou encore que le "footprint" de vos diodes d'électronicien correspond en fait à un composant de puissance d'un mètre de diamètre pour pcb -_- ... Pour ma part j'ai honteusement pioché/tranché dans les composants fourni avec gEDA sous ma gentoo ainsi que dans les nombreux éléments téléchargeables sur internet grâce aux explications de ce site de référence. Ayant tranché comme un goret dans des parties de code (et de commentaires, dont certains contenaient le descriptif de la version de license utilisée) pour rassembler ma petite librairie de composants je ne vais pas la rendre téléchargeable avec ce billet; mais si vous la voulez envoyez moi un mail et je pourrai vous passer une copie "en privée".
Enfin, quelques dernières remarques en vrac qui pourront vous aider si vous rencontrez des problèmes de composants incompatibles entre gschem et pcb9 :
-
Favorisez les composants dont les PIN sont numérotées (plutôt que "lettrées") dans gschem. Par exemple préférez le modèle "capacitor" dont les pins sont labélisées "1" et "2" plutôt que "P" et "N". En effet les symboles dans pcb utilisent plutôt des numérotations que des lettres donc si vous voulez que pcb parvienne à retrouver les connexions rentrées dans gschem il faut que les références des pins des symboles pcb soient les même que celles des symboles gschem.
-
Quelques associations "composant <==> footprint" qui marchaient pas trop mal dans pcb et qui étaient fournis dans ma Gentoo :
capacitor-2.sym <==> RCY100P
lm7805-1.sym <==> TO126W
connector2-1.sym <==> JUMPER2
resistor-1.sym <==> ACY800
led-3.sym <==> RCY100
- Les connecteurs sont parmi les composants les plus pénibles à traiter. En effet leurs formes sont souvent assez spécifique et il est essentiel qu'ils aient la bonne représentation dans pcb sous peine de vous retrouver avec un circuit imprimé inutilisable parce que vous n'avez pas la place de souder vos connecteurs. Pour ma part j'ai été obligé de créer mes modèles de connecteurs de toute pièce afin d'en avoir qui marchent10. Parmi les problèmes que j'ai cru identifier : les "connectors" fourni avec mon gschem ont des pin de type pas(siv) qui, visiblement, ne plaisent pas à pcb; du coup j'ai refait les connecteurs avec des pins de type io. Ah et mes connecteurs étaient également particulièrement sensibles aux blagues de nommage dont je vous parlais plus haut : quasiment tout ceux dont le nom dépassait 5 caractères n'étaient pas importés dans pcb...
En guise de conclusion : concevoir ses circuits imprimés ex nihilo jusqu'à obtenir un circuit physique qui fonctionne c'est une grande satisfaction (surtout pour moi qui ne pigeait rien à l'électronique il y a 4 ans); et même si le "motor shield" compatible arduino que j'ai réalisé et qui illustre intégralement cet article est bourré de maladresse de conception11 j'en suis très content et j'aurai peut-être l'occasion d'en faire bon usage :D !
- Billet qui a déjà presque 2 ans...le temps passe vite :) ↩
- Dessiner/Relire des schémas logique à peine plus haut niveau que ceux dont nous parlons ici semble justement amuser follement beaucoup de monde en France ces temps-ci ;-) ↩
- En commençant à compter à 1, donc 1,2,3,4,5 et 6 pour un 7404...Bah ouais c'est de l'électronique, pas de l'informatique donc on commence à "1". ↩
- Douce ironie: les logiciels qui comptent plusieurs dizaines de miliers de ligne de code sont compatibles entre eux, mais les composants comptant à peine 20 lignes de texte, eux, ne sont pas prévu pour fournir des informatios à tout les logiciels... ↩
- C'est à dire tracer les connexions physiques entre les différentes pates de vos composants. ↩
- J'en connais plusieurs, et pourtant ils ne sont pas masochistes. ↩
- Vous pouvez ensuite utiliser le logiciel gerbv pour visualiser les fichiers gerber générés par pcb avant de les envoyer à votre fabricant ↩
- PCB nu tel que celui qui illustre ce billet, tout juste sorti de sa boite de livraison. ↩
- Remarques qui vont surtout me servir de pense-bête personnel pour le jour où je voudrait rajouter des composants à ma bibliothèque et que j'aurai tout oublié :D ↩
- Et encore...Je m'étais trompé dans l'espacement entre les deux pates de mon connecteurs, si bien que j'ai du les tordres à la pince pour les espacer afin qu'ils puissent s'enfiler correctement dans les trous prévus à cet effet dans mes circuits imprimés reçus d'Asie. Trous qui, celà dit en passant, étaient largement surdimensionnés pour mes connecteurs, j'aurai du modifier mes empreintes pcb pour utiliser des trous de la même taille que ceux destinés à accueillir les pates de mes autres composants. ↩
- Pas de plan de masse, pas de condensateurs filtrant les parasites, pas de résistance de pull-up, etc... Mais les fichiers sont quand même disponibles si vous me les demandez par mail ;-) ↩




Dromi le 2013/09/10 13:24
Après avoir utilisé Kicad au boulot, je te confirme qu'il est vraiment plus efficace que gEDA! (Bon ok il y a toujours une part de subjectivité...)
J'en ai profité pour lire la réponse à mon commentaire d'il y a 2 ans (...) à propos de la simulation :
Un commentaire revient régulièrement chez Kicad : l'important n'est pas d'implémenter une fonction, mais de pouvoir exporter au bon format (si possible standard mais bon ^^ ) pour pouvoir travailler avec d'autres outils qui font bien le travail et qu'il est inutile de chercher à concurrencer...
Ensuite je te l'accorde, ajouter un bouton qui lance automatiquement la simu sous ngspice, ça pourrait peut-être ne pas coûter si cher que ça...